Vos projets techniques : choississez tout ou partie de nos prestations

Notre coeur de métier - Les études mécaniques

Modélisation 3D

Modélisation 3D

Analyse du besoin (nouvel équipement, rénovation)
Conception sous CREO
Revues de conception

Mises en plans

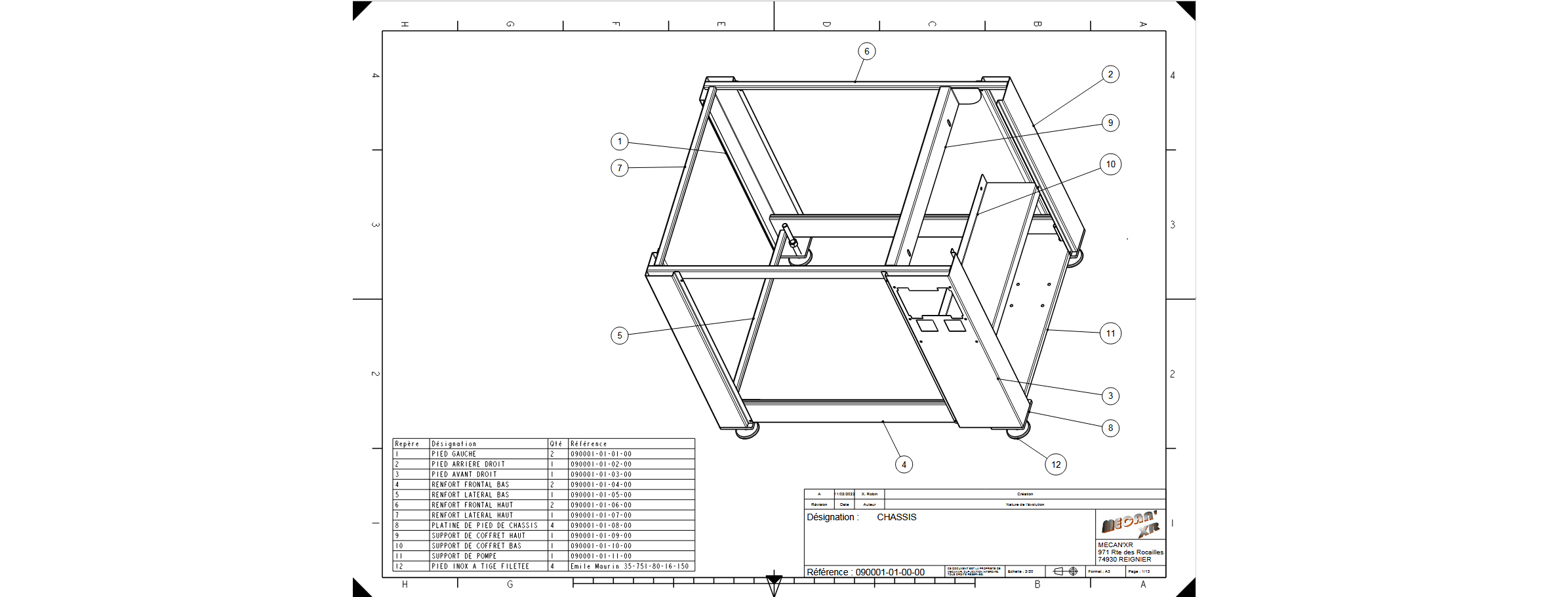
Mise en plans

Plans d'ensemble et plans de détail sous CREO
Exports en .step et en .pdf

Nos services complémentaires pour une solution complète

Fabrication

Fabrication

Atelier tournage/fraisage traditionnel
Achats des composants standard
Partenaires en usinage et tôlerie...
Confiez nous aussi vos pièces à fabriquer sur plan

Montage

Montage

Assemblage mécanique dans notre atelier

Études électriques

Études électriques

Schémas électriques sous SEE Electrical

Câblage

Câblage

Câblage des armoires électriques
Raccordement sur machine

Automatisme

Automatisme

Programmation automates (Siemens, Schneider, B&R, ...)
Programmation IHM (Proface, Weintek, ...)
Programmation de robots (Stäubli, ...)

Mise au point

Mise au point

Tests, validation et optimisation dans nos locaux

Conformité

Conformité

Notice technique
Déclaration de conformité
Plaque CE

Mise en service

Mise en service

Livraison
Mise en service sur site
Formation des utilisateurs (Agrément en tant que prestataire de formation)